Kích-Con đội thủy lực DM-10S-2( 10 tấn, 60 mm) được sản xuất bởi Sunrun/Taiwan.



Thông tin chi tiết về kích(con đội) thủy lực SUNRUN DM-10S-2( 10 tấn, 60mm)
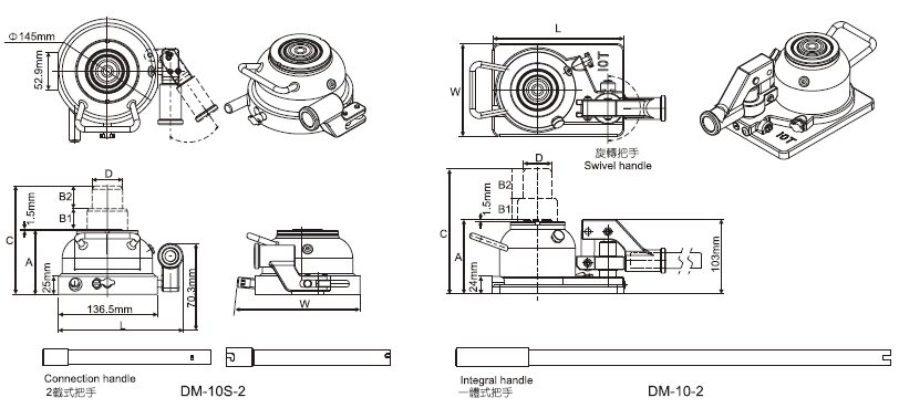
– Model: DM-10S-2
– Tải trọng: 10 tấn
– Hành trình nâng: 60mm
– Chiều cao chưa làm việc: 90 mm
– Chiều cao Max: 150 mm
– Trọng lượng: 6.8 kg
– Thiết kế lò xo hồi để hồi về nhanh chóng khi xả dầu, áp suất làm việc max.700 bar.
+ Kích thủy lực hay còn gọi là Con đội thủy lực dùng để nâng hạ thiết bị với trọng tải lớn vượt quá sức lao động của con người và các vị trí khó mà con người không thực hiện được.
+ Có 2 loại kích thủy lực đó là Kích tay thủy lực(con đội) và kích thủy lực rời bơm, Kích thủy lực rời bơm có 2 loại Kích thủy lực 1 chiều( đứng) và kích thủy lực 2 chiều(ngang).
+ Kích thủy lực 1 chiều( Kích đứng) là kích đẩy trọng tải theo chiều đứng khi hồi về mở valve xả dầu để hồi về bơm.
+ Kích thủy lực 2 chiều( Kích ngang) là kích vừa có thể đẩy vừa có thể ké theo 2 chiều tuy nhiên tải trọng kéo về chỉ được bằng 1/3 tải trọng đẩy ra, có thể đẩy kéo theo chiều đứng, ngang tùy thuộc vào nhu cầu thi công của công trình.
+ Kích thủy lực với tải trọng nâng thấp nhất là 2 tấn lớn nhất có thể lên tới 1.100 tấn/1 kích.
+ Kích thủy lực hoạt động nhờ hệ thống cung cấp dầu bởi Bơm tay thủy lực hoặc bơm điện thủy lực.
+ Chất lượng gioong phớt tốt tạo độ kín khít cho xy lanh vì vậy có thể tạo ra áp suất từ 0-3.000 bar tùy thuộc vào nhu cầu của con người.
+ Thông thường ở Việt Nam thường dùng bơm thủy lực tao ra áp suất 700 bar-1.000 bar tuy nhiên tùy thuộc vào yêu cầu của thiết bị có thể lên tới 3.000 bar.
+ Một hệ thống kích thủy lực hoàn chỉnh có thể bao gồm( Bơm thủy lực+ kích thủy lực+ Dây và phụ kiện) tuy nhiên cũng có thể dùng 1 bơm thủy lực kết nối với 1,2,3,4,..100 kích thủy lực tùy thuộc vào nhu cầu của thi công.
+ Kích thủy lực sau khi sử dụng xong chúng tao phải vệ sinh sạch sẽ bảo quản nơi khô thoáng để đảm bảo độ bền và độ chính xác của thiết bị.
+ Kích thủy lực dễ sử dụng, tạo hiệu suất cao trong công việc rất phù hợp với điều kiện thi công tại Việt Nam.
* SUNRUN/TAIWAN
Được thành lập từ năm 1978 tại Taiwan với công nghệ và dây truyền theo tiêu chuẩn USA chuyên lắp ráp và cung cấp các dòng sản phẩm Kích thủy lực, Kích thủy lực con đội, Kích thủy lực cá sấu, Kích móc thủy lực… với các mẫu sản phẩm chất lượng, phù hợp với nhu cầu thực tế của con người mà hiện nay đã có mặt trên toàn thế giới.
* Các Opion khác có thể tham khảo:



Kích(con đội) thủy lực
Cờ lê thủy lực
Cắt đai ốc thủy lực
Căng bu lông thủy lực
Tách bích, Nêm thủy lực
Cảo(Vam) thủy lực
Máy ép thủy lực
Kích kéo cáp, uốn ống